• KAUF OHNE RISIKO
  • FAIRE PREISE
  • SCHNELLER VERSAND
  • AUSGEZEICHNETER SERVICE
  • DIREKT VOM HERSTELLER
  • KAUF OHNE RISIKO
  • FAIRE PREISE
  • SCHNELLER VERSAND
  • AUSGEZEICHNETER SERVICE
  • DIREKT VOM HERSTELLER
GreenKi
components.miniCartComponent.cartIcon.accessibilityLabel
  • HOME
  • SHOP
  • REFERENZEN
  • DOWNLOAD
  • FAQ
  • SMARTHOME
  • BLOG
  • HOME
  • SHOP
  • REFERENZEN
  • DOWNLOAD
  • FAQ
  • SMARTHOME
  • BLOG
  • HOME
  • DOWNLOAD
  • ANSCHLUSSDIAGRAMME
  • UFR1 + SPRECHANLAGE

UFR1 + SPRECHANLAGE

METZLER Download:

Anschlussdiagram GreenKi UFR1 + VDM10 >>>

SIEDLE GreenKi UFR1 Fingerscanner

SIEDLE Download:

Anschlussdiagram GreenKi UFR1 + Siedle VARIO 511 >>>

Anschlussdiagram GreenKi UFR1 + Siedle VARIO 611 >>>

Anschlussdiagram GreenKi UFR1 + Siedle STS 711 >>>

Anschlussdiagram GreenKi UFR1 + Siedle COMPACT CA 812 >>>

GIRA Download:

Anschlussdiagram GreenKi UFR1 + Gira TX44 >>>

BELLCOME/ELECTRA Download:

Anschlussdiagram GreenKi UFR1 + BELLCOME / ELECTRA >>>

BUSCH-JÄGER Download:

Anschlussdiagram GreenKi UFR1 + BUSCH-JÄGER >>>

AUERSWALD TFS Download:

Anschlussdiagram GreenKi UFR1 + AUERSWALD TFS >>>

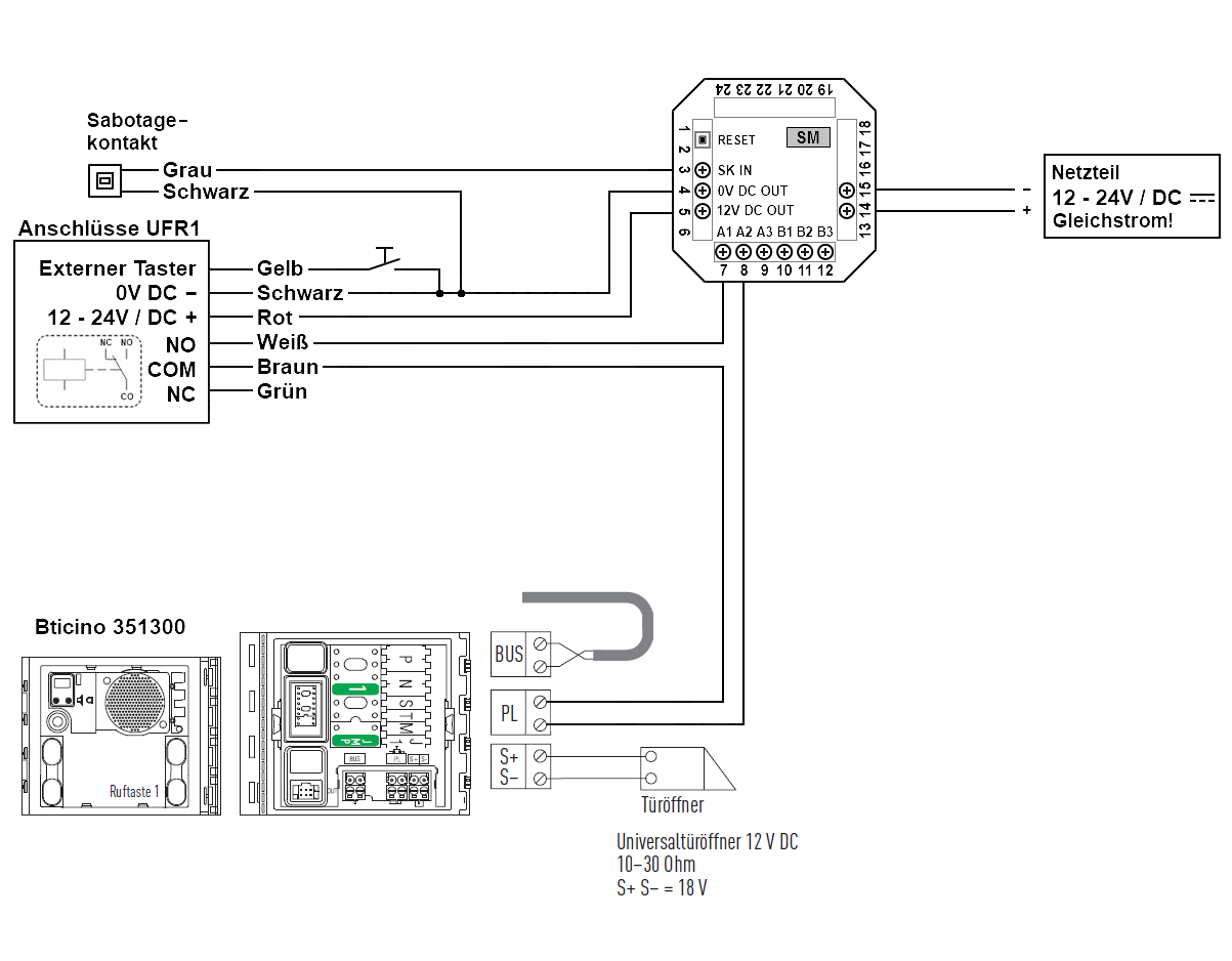
GreenKi UFR1 Fingerscanner + Biticion Legrand

BTICINO / LEGRAND Download:

Anschlussdiagram GreenKi UFR1 + BTICINO-LEGRAND >>>

VARIANTEN:

  • Impressum
  • Datenschutzerklärung
  • Cookie-Richtlinie
  • Zahlung & Versand
  • Allgemeine Geschäftsbedingungen
  • Widerrufsrecht
  • Information zu Elektro- & Elektronikgeräten
  • Information zur Batterieentsorgung
  • Pictures
  • Über uns
  • Kontakt
Zahlungsarten:
  • Vorkasse
  • PayPal
Versandarten:
  • DHL
Folgen Sie uns auf:
Kontakt:
+49 7842 997364info@greenki.info@greenki.de

Copyright © 2026 GreenKi